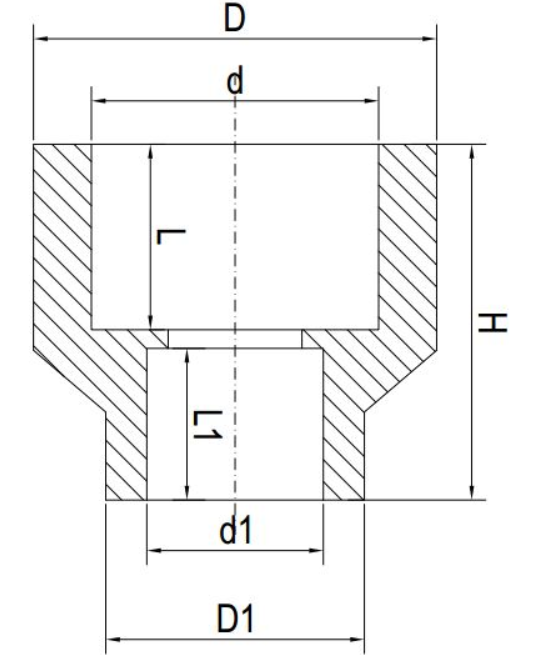
| Mã số | Đường kính | D | D | D1 | D1 | H | L | L1 |
| mm | mm | mm | mm | mm | mm | mm | ||
| PNG2520 | 25x20 | 23.8 | 34.5 | 18.9 | 27.7 | 39.0 | 16.2 | 17.5 |
| PNG3220 | 32x20 | 30.1 | 41.0 | 18.8 | 26.7 | 35.8 | 19.0 | 14.0 |
| PNG3225 | 32x25 | 30.1 | 40.7 | 23.8 | 32.6 | 37.3 | 19.6 | 16.4 |
| PNG4020 | 40x20 | 37.3 | 49.2 | 18.9 | 25.7 | 39.5 | 19.5 | 14.0 |
| PNG4025 | 40x25 | 37.5 | 49.9 | 23.4 | 32.0 | 40.3 | 18.3 | 16.6 |
| PNG4032 | 40x32 | 37.0 | 50.2 | 30.3 | 41.0 | 40.7 | 19.5 | 17.2 |
| PNG5020 | 50x20 | 48.0 | 65.2 | 18.9 | 27.8 | 49.5 | 25.5 | 16.5 |
| PNG5025 | 50x25 | 47.7 | 65.0 | 23.6 | 34.0 | 49.5 | 25.0 | 17.8 |
| PNG5032 | 50x32 | 48.1 | 65.2 | 30.6 | 42.3 | 49.5 | 25.0 | 19.3 |
| PNG5040 | 50x40 | 47.8 | 65.2 | 38.2 | 51.5 | 50.5 | 25.5 | 21.5 |
| PNG6320 | 63x20 | 61.7 | 83.1 | 19.0 | 27.4 | 6.8 | 29.1 | 16.1 |
| PNG6325 | 63x25 | 62.0 | 86.9 | 24.0 | 36.2 | 79.0 | 28.5 | 17.2 |
| PNG6332 | 63x32 | 61.9 | 86.5 | 31.0 | 45.0 | 68.0 | 28.0 | 19.0 |
| PNG6340 | 63x40 | 62.0 | 86.5 | 39.0 | 57.0 | 70.0 | 27.0 | 21.0 |
| PNG6350 | 63x50 | 61.9 | 87.0 | 48.7 | 70.3 | 68.0 | 28.8 | 24.3 |
| PNG7525 | 75x25 | 73.6 | 98.9 | 24.1 | 35.2 | 79.2 | 32.2 | 16.1 |
| PNG7532 | 75x32 | 73.7 | 98.9 | 31.1 | 44.1 | 81.0 | 32.7 | 18.8 |
| PNG7540 | 75x40 | 73.5 | 98.7 | 38.8 | 55.8 | 82.5 | 31.9 | 21.1 |
| PNG7550 | 75x50 | 73.5 | 99.3 | 49.3 | 69.0 | 82.7 | 32.3 | 24.1 |
| PNG7563 | 75x63 | 73.5 | 99.2 | 62.0 | 85.3 | 84.0 | 32.1 | 27.7 |
| PNG9040 | 90x40 | 88.0 | 119.0 | 38.9 | 56.1 | 84.9 | 35.9 | 20.7 |
| PNG9050 | 90x50 | 88.1 | 119.6 | 48.8 | 69.3 | 87.9 | 35.7 | 23.7 |
| PNG9063 | 90x63 | 87.7 | 118.5 | 61.9 | 85.5 | 91.8 | 35.8 | 27.4 |
| PNG9075 | 90x75 | 88.2 | 119.3 | 73.6 | 99.8 | 95.8 | 35.8 | 31.6 |
| PNG11050 | 110x50 | 106.3 | 147.2 | 49.0 | 69.4 | 96.5 | 41.6 | 23.8 |
| PNG11063 | 110x63 | 107.1 | 146.5 | 62.0 | 85.9 | 99.0 | 40.9 | 26.8 |
| PNG11075 | 110x75 | 106.4 | 146.3 | 73.3 | 99.8 | 103.5 | 41.5 | 31.4 |
| PNG11090 | 110x90 | 106.9 | 146.8 | 88.1 | 119.3 | 108.1 | 41.9 | 32.3 |
| PNG125110 | 125x110 | 121.5 | 166.8 | 107.1 | 146.9 | 108.6 | 45.5 | 41.0 |
| PNG140110 | 140x110 | 136.3 | 187.5 | 107.1 | 146.9 | 112.0 | 47.0 | 38.0 |
| PNG16090 | 160x90 | 153.2 | 210.0 | 88.2 | 119.3 | 112.9 | 48.6 | 35.9 |
| PNG160110 | 160x110 | 154.0 | 211.0 | 108.0 | 147.0 | 116.5 | 48.3 | 41.6 |
| PNG160125 | 160x125 | 153.8 | 211.0 | 122.2 | 167.3 | 123.9 | 49.0 | 44.1 |
| PNG160140 | 160x140 | 154.8 | 211.0 | 136.3 | 187.5 | 126.9 | 48.3 | 46.5 |



